Benefits, Types, and Principles of AC DC Power Supply
image size: 1600x900
LM317 adjustable power supply circuit explained
image size: 1540x2048
circuit design - How to supply a constant current to a load regardless of its resistance? - Electrical Engineering Stack Exchange
image size: 1600x1056
1A Voltage Regulator Circuit using 78xx series | ElecCircuit.com
image size: 1800x565
CSV power source and constant power source - CircuitLab Feature Requests - CircuitLab
image size: 1024x768
analog - What is causing the DC Offset in Mirrored Howland Current Pump Circuit - Electrical Engineering Stack Exchange
image size: 1751x458
Benefits, Types, and Principles of AC DC Power Supply
image size: 1600x900
DC power source : r/electrical
image size: 1508x879
High-performance photon-driven DC motor system | Nature Communications
image size: 1446x1089
Solved Problem 2: Source Transformation The source | Chegg.com
image size: 1268x862
Small Power Supply with LM317
image size: 1641x1181
Switch between 2 DC Power Supply Sources - Power management forum - Power management - TI E2E support forums
image size: 3937x2229
Power Source (V1): The circuit operates on a low DC voltage range of 3.7V to 7.4V, suitable for batteries. Switch (S1): A manual switch is shown, likely used to turn the circuit
image size: 1280x853
Trouble in understanding current flow in this three phase DC-AC inverter circuit - Electrical Engineering Stack Exchange
image size: 1042x1280
Node voltage analysis on circuit with a dependant voltage source - Electrical Engineering Stack Exchange
Peta-pico-Voltron: An open-source high voltage power supply - HardwareX
image size: 4000x1586
How to Use DC Power Source: Pinouts, Specs, and Examples | Cirkit Designer
image size: 1888x886
Power Source: The circuit operates on a +12V DC power supply. Switching Components: Three IRFZ44 N-channel MOSFETs (Q1, Q2, Q3) are used to control the current to each color channel. Filtering/Smoothing: 2.2uF
image size: 2198x596
Understanding RMS Voltage in AC and DC Circuits
image size: 1280x853
Battery Circuit - Dc Power Supply Symbol - Free Transparent PNG Clipart Images Download
image size: 1500x2000
An RC charging circuit explains how a capacitor charges when a DC voltage source is applied through a resistor. At the moment the switch is closed, the capacitor is initially uncharged, so
image size: 840x1037
Arduino project. USB+external power source - works fine. No USB - everything goes crazy - Electrical Engineering Stack Exchange
image size: 1616x2048
Precision DC Current Source - DIY
image size: 2751x1590
MIT Illuminations Seminar
image size: 1053x962
Figure 71 - from Contribution to the Control of the Hybrid
image size: 1960x832
Variable DC Supply PowerPoint Template - SlideModel
image size: 1360x677
Understanding Circuits: Branches, Nodes, and Loops
image size: 1280x720
DC to DC converter with constant current control
image size: 1500x2000
Hello is there any problem if i use power source/ powercable that has input of 220v/240v and output of 12v - 1.5a for testing my circuit? I connected it on my breadboard
image size: 1128x1676
0-30V Adjustable Power Supply Circuit | PDF | Power Supply | Rectifier
image size: 1600x1131
DC TO DC CONVERTER OUTPUT - RED \u0026 WHITE LABEL – FCDLabels
image size: 1000x1000
Circuit Theorems - Study Guides | CircuitBread
image size: 768x1024
Understanding Power Absorption in Electrical Circuits
image size: 1024x922
Direct current - Wikipedia
image size: 2000x1044
AC vs DC: Key Differences, Applications, and Advantages in Modern Electronics
image size: 1500x2000
Current Source Inverter (CSI) Circuits – Electricity – Magnetism
image size: 1280x694
Precision DC Current Source - DIY
image size: 1280x720
BASIC ELECTRICAL ENGINEERING DC CIRCUITS UNIT 1 PART 1 NOTES | PDF
image size: 1000x1000
how to separate AC and DC current signal | Forum for Electronics
image size: 1291x669
DC1531A Reference Design | DC to DC Single Output Power Supplies | Arrow.com
image size: 2048x1152
Chapter 2: Direct Current (DC) Circuits | PDF
image size: 1707x1011
What Is A Voltage Source and Why Is It Used - Learn Easy | PDF | Electric Power | Voltage
image size: 1399x1399
Programmable Current Source-Dexinmag
image size: 2048x1536
How a Constant Current Source Circuit Using MOSFET Powers Precision LED Lighting Projects
image size: 768x1024
Dc Current Source Symbol, HD Png Download - kindpng
image size: 1000x1000
9V Power Supply Circuit Using LM7809 Voltage Regulator IC
image size: 1000x1000
DC Electronic Load - 1A - Electronics-Lab
image size: 860x1137
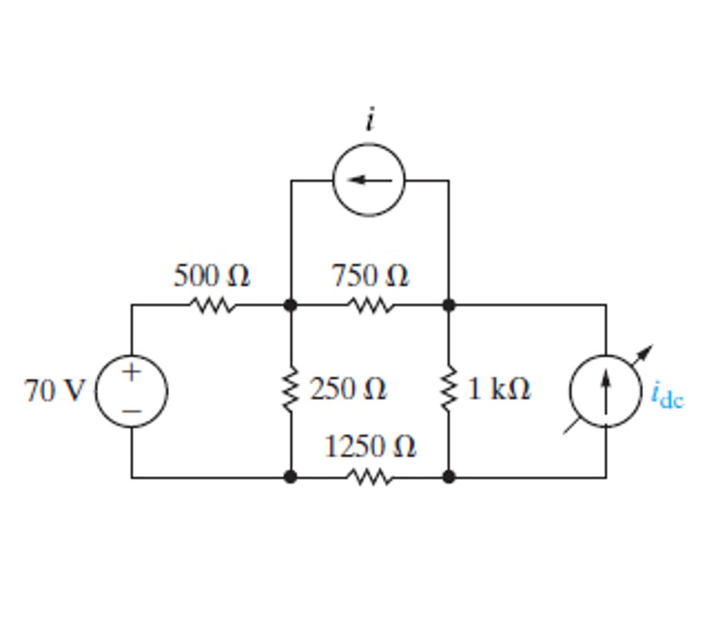
4.55 The variable dc current source in the circuit in Fig....
image size: 1280x720
PPT - Series dc Circuits PowerPoint Presentation, free download - ID:6564529
image size: 1500x900
0.5A Voltage Controlled Current Source Constant Module AC and DC Voltage Current Sale - Banggood USA Mobile-arrival notice
image size: 1024x1015
PPT - AC vs. DC Current Electromagnetic Fields PowerPoint Presentation - ID:5064228
image size: 1024x768
Resistors \u0026 DC Circuits - Part 2 of 2 Exam Prep | Practice Questions \u0026 Video Solutions
image size: 1000x1000
DC operating point of common source stage with source degeneration : r/chipdesign